手动液压泵

‌手动液压泵‌是一种将手动机械能转换为液压能的设备,广泛应用于各种需要液压动力的场合。其工作原理是通过手动操作泵的手柄,驱动柱塞泵工作,从而实现液压能的转换。

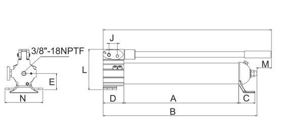
产品详情

HMPA液压手动泵优势介绍

HMPA液压手动泵优势介绍:

●铝合金材质轻便易携带;

●省力手柄设计;

●整体铝合金结构,符合人体工学泄压阀;




相关推荐

专业技术团队 提供全方位系统解决方案

如有任何疑问 请随时与我们联系

  • 李经理 : 13995567559

  • 武汉东湖新技术开发区软件园东路1号软件产业4.1期B2栋17层01室1709(自贸区武汉片区)

  • sales@hilman-hydraulics.com

  • 咨询微信客服

  • 微信公众号

© 2024-2028 哈尔曼液压系统(武汉)有限公司 版权所有 备案号:鄂ICP备14060880号

友情链接